Dimensiones y pesos
| Profundidad | 91 mm (3,583 inch) |
| Altura | 104,5 mm (4,114 inch) |
| Anchura | 36 mm (1,417 inch) |
| Peso neto | 357 g |
Temperaturas y Condiciones
| Temp. almacenamiento | -40 °C…85 °C |
| Temp. servicio | -40 °C…85 °C |
| Humedad | 5 – 95% de humedad rel. |
| Altitud funcionamiento | ≤ 2000 m |
Datos Técnicos Nominales (IEC / EN)
| Clase de requisitos | Tipo 1, Tipo II (T1, T2) |
| Red de baja tensión | Monofásico, TN, TT, IT (con/sin N) |
| Tensión nominal (AC) | 230 V (Red: 230V / 400V) |
| Tensión continua máx. Uc | 275 V (AC) / 305 V (N-PE) |
| Corriente choque Iimp (10/350 µs) | 25 kA (L-PE) / 100 kA (N-PE) |
| Corriente descarga Imáx (8/20µs) | 65 kA (PE) / 150 kA (N-PE) |
| Capacidad extinción Ifi | 50 kA |
| Nivel de protección Up | ≤ 1,5 kV |
| Corriente cortocircuito ISCCR | 50 kA |
| Fusible integrado | No |
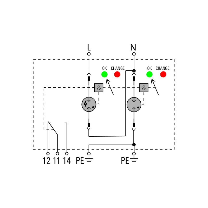
| Contacto de aviso | Sí (250 V 1A 1CO) |
| Normas | IEC 61643-11, EN 61643-11 |
Datos Generales
| Diseño | Cajas de instalación; 2 TE (36mm), Insta IP20 |
| Carril de montaje | TS 35 |
| Color | Naranja, Negro, Azul |
| Indicación óptica | Verde = OK; Rojo = Defectuoso, sustituir |
Datos de Conexión
| Tipo de conexión | Conexión brida-tornillo |
| Longitud de desaislado | 18 mm |
| Par de apriete | 3 Nm (min) – 4,5 Nm (max) |
| Sección (Rígido) | 2,5 mm² … 35 mm² |
| Sección (Flexible) | 2,5 mm² … 35 mm² (con/sin punteras) |
| Conexión remota (PUSH IN) | 0,14 mm² … 1,5 mm² |
Garantía e Información Adicional
| Período de garantía | 5 años |
| Nota importante | Solo aplicable a los sistemas de alimentación de TI con conexión a tierra del transformador de distribución en el lado del consumidor. |
| Aplicaciones DC | Cuando se usa en aplicaciones CC; utilizar el fusible de SIBA tipo NH2XL aR/aSF DC 1500 V. |








